宇電儀表在空調機組實驗裝置中的應用
2011-03-20
摘要:宇電AI人工智能調節器及工控組態軟件AIFCS產品在蘭州交大曖通實驗室空調機組實驗系統的應用
關鍵詞:AI人工智能調節器 數據采集 監控
引言:
近年來國產二次儀表的發展迅速,涌現出了許多的生產廠家,而我對宇電儀表AI人工智能調節器情有獨鐘,特別是它先進的模塊化結構,豐富的輸出規格,使我在現場中遇到的問題迎刃而解,特別是在蘭州交大曖通實驗室空調機組實驗系統的數據采集、監控系統及鍋爐電控柜中的改造中的應用更加深了我對宇電AI人工智能調節器及工控組態軟件AIFCS產品的了解,受益非淺。
1、系統概述
蘭州交大曖通實驗室新購一套模擬空調機組試驗裝置,在此空調機組試驗裝置上分別設有13個溫度、4路流量及一路壓差測試點,以便于試驗采集數據,另有一套散熱器散熱器測試臺,設有24個溫度測試點,要求對試驗采集的數據實時瀏覽及在線監控,實時數據及歷史報表在上位PC機上集中統一管理,處理。
2、系統硬件配置
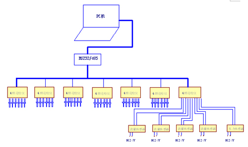
監控系統結構如下圖所示:
圖一:監控系統結構

整個空調數據采集、監控系統由一臺上位PC機、1個宇電RS232/RS485轉換器、7臺AI人工智能高精度6路巡檢儀、37個鉑熱電阻Pt100、4個流量傳感器及一個壓差變送器組成。利用具有通訊功能的AI-706M6路巡檢儀對現場數據進行采集,測量精度為0.2級。在巡檢儀上可直接顯示采集的數據,并通過RS-485串行通訊和上位機進行通訊,實現37個通道溫度、4個通道流量及1個通道壓差的集中監控。AI調節器上的所有參數可以在上位機中顯示,也可用上位機設定下載。
3、軟件組成
組態軟件采用了宇電工控組態軟件AIFCS產品,該軟件與宇電儀表配套使用共同構成智能儀表現場總線系統,通訊方式為RS485;儀表采用AIBUS通訊協議,8個數據位,1個或2個停止位,無校驗位,完成通用工作站的數據采集和加工、實時和歷史數據處理,系統穩定可靠,方便的代替了大量的現場工作人員的勞動和完成對現場的自動監控,可隨時或定時打印各種報表。按客戶的工藝流程在畫面上顯示虛擬的現場設備的布置情況,動態的顯示了設備的在線狀態,在傳感器及其他相關設備實際安裝的位置標上相應的標號和數據,更直觀的讓用戶了解畫面上的數據的實際來源,在事故發生時更能提高解決事故的效率。系統按照客戶的要求設置了報警產生時間、形式、長短和解除方式,實時快速準確的進行報警。并保存每一次報警的報警類型、報警時間、應答時間、結束時間、報警時報警后的實時數據、操作人員等,客戶需要的信息,對報警數據的查詢更可方便可靠。實時曲線、歷史曲線的切換和強大曲線查詢功能使曲線的使用更簡便靈活。系統登錄方式分為系統啟動登錄、系統運行期間登錄、退出系統時登錄。權限按照客戶要求進行多重分級,防止不相關的操作員誤操作,造成事故。設置管理員權限使用戶能夠在系統運行時增加、刪除用戶、分配權限、修改密碼。也可通過控制柜上的巡檢儀方便地讀取各個通道的現場數據,只需設定巡檢儀上的通訊地址和上位機的地址對應即可實現通訊。調試后使用至今,穩定可靠。
4、特殊功能
在使用中尤其是對巡檢儀自帶的引線電阻補償功能給我的調試工作帶來極大方便,由于在現場采用的是兩線制鉑熱電阻Pt100,再加上引線較長,出現測量誤差大的情況,按照說明書上自動設置偏移值的方法進行操作,消除了引線電阻帶來的測量誤差,提高了測量精度。
另外在熱水加熱器溫度控制系統及蒸汽發生器壓力控制系統的電氣控制柜的改造過程中也體驗到了宇電儀表模塊化結構的妙處,因原鍋爐電控柜使用的是宇電AI-708儀表,用戶要求自動控溫,并增加超溫報警。溫控系統由AI調節器、鉑電阻PT100、SSR固態繼電器、電加熱管組成。蒸汽發生器壓力控制系統由AI調節器、壓力變送器、SSR固態繼電器、電加熱管組成。在檢查中發現兩塊AI-708調節器均無報警輸出模塊,且壓力變送器工作電源為DC24V,要滿足用戶的要求,則需重新購買調節器及DC24V開關電源,需增加成本一千多元,后來咨詢宇電的技術工程師,購買了宇電兩塊L2輸出模塊及1塊DC24V模塊,三個模塊總共才一百多元,大大節省了成本,使用安全可靠。
5、結束語
溫控儀表我選用宇電儀表的原因是其理想的控制效果和方便的自整定功能,該儀表采用AI人工智能調節方式,是利用模糊規則進行PID調節的一種新型算法,在誤差大時,運用模糊算法進行調節,以消除PID飽和積分現象,當誤差趨小時,采用改進后的PID算法進行調節,并能在調節中自動學習和記憶被控對象的部分特征以使效果更優化,具有無超調,高精度,參數確定簡單,對復雜對象也能獲得較好的控制效果等特點。其整體調節效果比一般PID算法及模糊調節算法均更優越。
總之,做為OEM客戶,宇電產品在我公司干燥設備上得到了廣泛應用,AI智能調節器不僅具有故障自檢和參數鎖定功能,而且選用了高抗干擾和高可靠性結構,在系統出現故障時,能及時查出故障,予以排除,大大提高了控制系統的可靠性和安全性。穩定可靠,能夠滿足用戶的要求,受到了用戶的好評。
返回頂部
